图表
指标参数
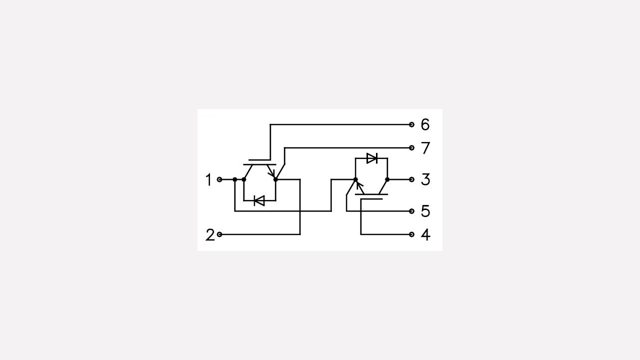
| Parametrics | FF200R17KE3 |
|---|
| Configuration | Dual |
| Dimensions (width) | 61.4 mm |
| Dimensions (length) | 106.4 mm |
| Housing | 62 mm |
| IC(nom) / IF(nom) | 200.0 A |
| IC max | 200.0 A |
| Qualification | Industrial |
| Technology | IGBT3 - E3 |
| VCE(sat) (Tvj=25°C typ) | 2.0 V |
| VCES / VRRM | 1700.0 V |
| VF (Tvj=25°C typ) | 1.8 V |
| Voltage Class | 1700.0 V |