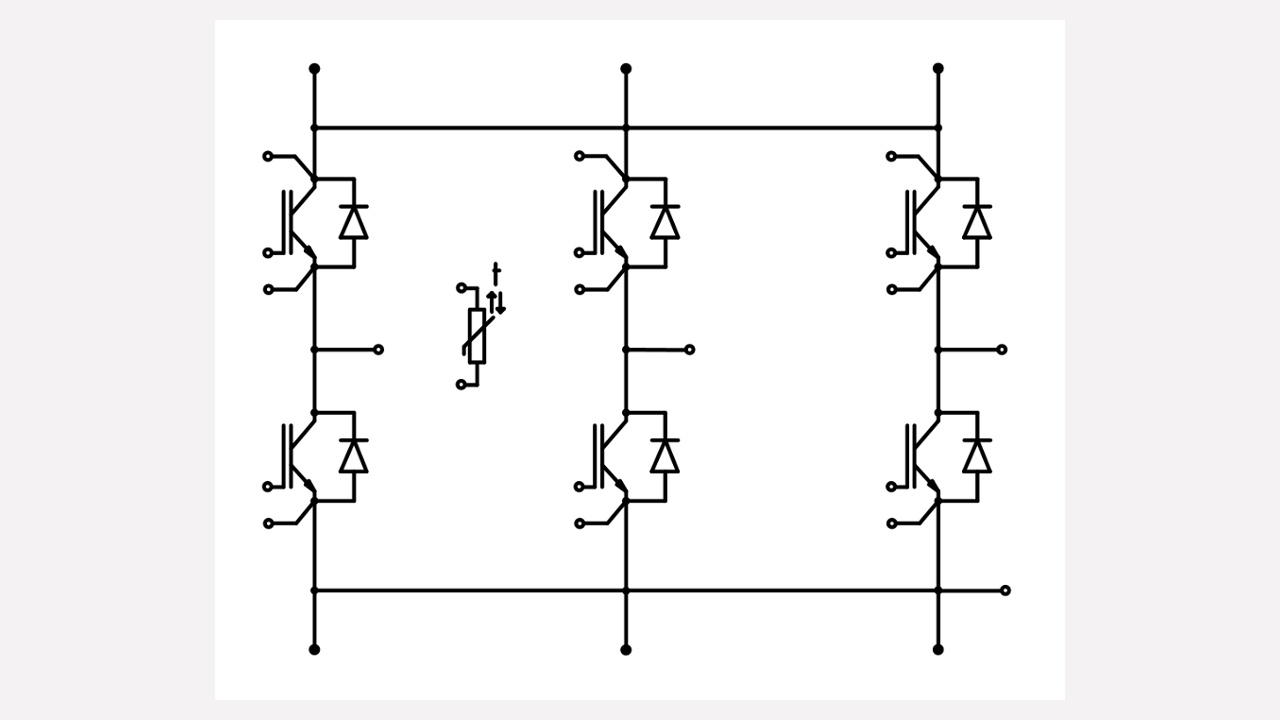
FS400R07A1E3
图表
指标参数
Parametrics FS400R07A3E3_H6 Configuration Sixpack Dimensions (width) 98.0 mm Dimensions (length) 128.0 mm Features Wave Housing HybridPACK™ 1 DC6 IC(nom) / IF(nom) 400.0 A IC max 400.0 A Qualification Industrial ; Automotive Technology IGBT3 - E3 VCE(sat) (Tvj=25°C typ) 1.45 V VCES (Tvj=25°C typ) 705.0 V VF (Tvj=25°C typ) 1.55 V Voltage Class 650.0 V

